²úÆ··ÖÀà
CIPÏ´åª×°±¸ÏµÁÐ
ÓÃ;¼°ÐÔÄÜ£º
CIPÏ´åªÏµÍ³Ë׳ƾ͵ØÏ´åªÏµÍ³±»ÆÕ±éµÄÓÃÓÚÖÆÒ©¡¢Ê³Îï¡¢ÒûÁÏ¡¢È鯷¡¢¹ûÖ¡¢¹û½¬¡¢¹û½´¡¢¾ÆÀàµÈ»úе»¯Ë®Æ½½Ï¸ßµÄÉú²úÆóÒµÖС£¾ÍµØÏ´åª¼ò³ÆCIP£¬ÓÖ³ÆÏ´åª¶¨Î»»ò¶¨Î»Ï´åª£¨cleaning in place£©¡£¾ÍµØÏ´åªÊÇÖ¸²»±Ø²ð¿ª»òÒÆ¶¯×°Ö㬼´½ÓÄɸßΡ¢¸ßŨ¶ÈµÄÏ´¾»Òº£¬¶Ô×°±¸×°ÖüÓÒÔÇ¿Á¦×÷Ó㬰ÑÓëÎïÁϵĽӴ¥ÃæÏ´¾»,¶ÔÎÀÉú¼¶±ðÒªÇó½ÏÑÏ¿áµÄÉú²ú×°±¸µÄϴ媡¢¾»»¯¡£
ÌØµã£º
1¡¢CIPÏ´åªÏµÍ³Äܰü¹ÜÒ»¶¨µÄÏ´åªÐ§¹û£¬Ìá¸ß²úÆ·µÄÇå¾²ÐÔ£»
2¡¢½ÚÔ¼²Ù×÷ʱ¼ä£¬Ìá¸ßЧÂÊ£»½ÚÔ¼ÀͶ¯Á¦£¬°ü¹Ü²Ù×÷Çå¾²£»
3¡¢½ÚԼˮ¡¢ÕôÆûµÈÄÜÔ´£¬ïÔÌÏ´µÓ¼ÁÓÃÁ¿£»
4¡¢Éú²ú×°±¸¿ÉʵÏÖ´óÐÍ»¯£¬×Ô¶¯»¯Ë®Æ½¸ß£»
5¡¢ÑÓÓÀÉú²ú×°±¸µÄʹÓÃÊÙÃü¡£
6¡¢È«×Ô¶¯CIPÏ´åªÏµÍ³£¬ÄܶÔÏ´åªÒº¾ÙÐÐ×Ô¶¯¼ì²â.¼ÓÒº.ÅÅ·Å.ÏÔʾÓëµ÷½â£¬¶ÔÆäÔËÐпɿ¿£¬×Ô¶¯»¯Ë®Æ½¸ß£¬²Ù×÷¼òÆÓ£¬Ï´åªÐ§¹ûºÃ£¬Òò¶ø¸üÇкÏÏÖ´ú´ó¹æÄ£Á÷ÌåÒ©Æ·¡¢Ê³Îï¼Ó¹¤¹¤ÒÕµÄÎÀÉúÒªÇó¼°Éú²úÇéÐÎÒªÇó¡£
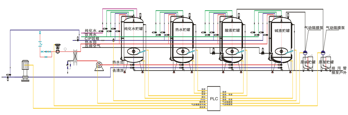
CIPÏ´åªÏµÍ³µÄ×é³É£º
ÇåË®¹Þ¡¢ÈÈË®¹Þ¡¢ËáÒº¹Þ¡¢¼îÒº¹Þ¡¢ÔËá¹Þ¡¢Ô¼î¹Þ¡¢°åʽ»»ÈÈÆ÷¡¢Ï´åª±Ã¡¢Ñ»·±Ã¡¢¹ýÂËÆ÷¡¢Æø¶¯¸ôĤ±Ã¡¢Ëá/¼îŨ¶È¼Æ¡¢PH¼Æ¡¢Ï½µµÍ¬½ÓÊÜ·ºÍµçÆø¿ØÖÆÏµÍ³¡£
ÖÖÀࣺ·ÖΪÊÖ¶¯ÐÍ¡¢°ë×Ô¶¯ÐͺÍ×Ô¶¯ÐÍ
¹æ¸ñÐͺż°Ö÷ÒªÊÖÒÕ²ÎÊý
| ²ÎÊý/¹æ¸ñÐͺŠ| CIP500 | CIP1000 | CIP1000 | CIP10000 |
| ÔËá¹ÞÈÝ»ý (L) | 50 | 80 | 100 | 200 |
| Ô¼î¹ÞÈÝ»ý (L) | 50 | 80 | 100 | 200 |
| ËáÒº¹ÞÈÝ»ý (L) | 500 | 1000 | 2000 | 10000 |
| ¼îÒº¹ÞÈÝ»ý (L) | 500 | 1000 | 2000 | 10000 |
| ÈÈË®¹ÞÈÝ»ý (L) | 500 | 1000 | 2000 | 10000 |
| ÇåË®¹ÞÈÝ»ý (L) | 500 | 1000 | 2000 | 10000 |
| Ñ»·±Ã (T/h) | 1.5 | 3.0 | 5.0 | 20.0 |
| ϴ媱à (T/h) | 3.0 | 5.0 | 10.0 | 20.0 |
| »»ÈÈÆ÷ (m2) | 3.0 | 5.0 | 7.0 | 15.0 |
ÒÔÉÏÐͺŽö¹©²Î¿¼£¬¿É°´Óû§ÒªÇó¾ÙÐÐ·Ç±ê¶¨ÖÆ

ÏúÊÛÈÈÏß
0577-8692-2388
´«Õ棺0577-86922389
ÓÊÏ䣺sales@wenxiong.com
µØµã£ºÕã½Ê¡ÎÂÖÝÊÐÓÀÇ¿¸ßÐÂÊÖÒÕ¹¤ÒµÔ°Çø